| 首页>产品中心>产品信息 |
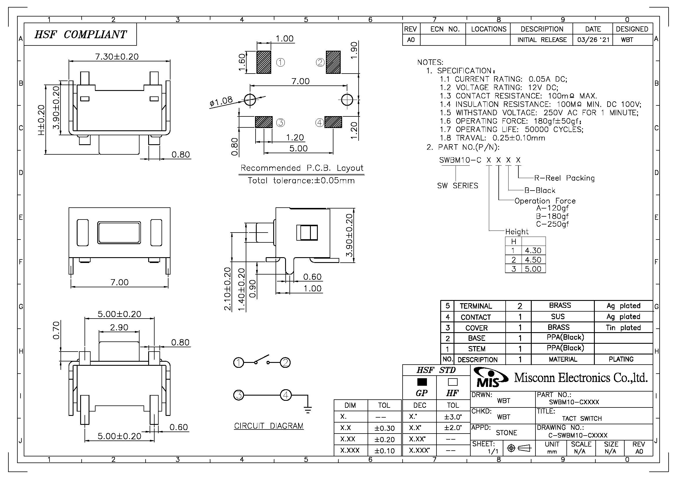
P/N: SWBM10-CXXXXX
Pitch: 5.00 mm
Height: 4.30/4.50/5.00 mm
Number of contacts:04
Type: SMT
Electrical
Current Rating: 0.05A
Voltage Rating: 12V
Contact Resistance: 100mΩ
Withstanding Voltage: 250V AC/1min
Insulator Resistance: 100MΩ
Material
Cover: BRASS
Contact: SUS
Terminal: BRASS
Base: PPA
Stem: PPA
2D
SPEC
3D